Feature
l 1×9 package with ST connector
l 1310nm FP Laser and PIN photodetector
l 10Km transmission with SMF
l +3.3V single power supply
l LVPECL compatible data input/output interface
l Low EMI and excellent ESD protection
l laser safety standard IEC-60825 compliant
l Compatible with RoHS
Application
l Ethernet
l Telecom
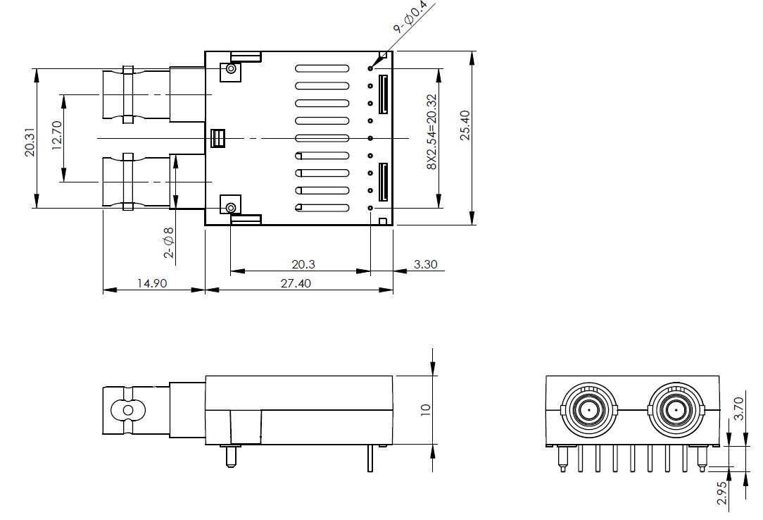
Mechanical Dimensions
.png)
Performance specifications
Absolute Maximum Ratings
|
Parameter |
Symbol |
Minimum |
Maximum |
Units |
|
Storage Temperature |
Tst |
-40 |
+85 |
°C |
|
Operating Temperature |
Top |
0 |
+70 |
°C |
|
Supply Voltage |
Vcc |
0 |
+3.3 |
V |
|
Input voltage |
Vin |
GND |
Vcc |
|
|
Lead Soldering Temperature & Time |
240/10 |
°C/s |
||
Operation Environment
|
Parameter |
Symbol |
Minimum |
Maximum |
Units |
|
Supply Voltage |
Vcc |
3.15 |
3.45 |
V |
|
Ambient operating Temperature |
Top |
0 |
+70 |
°C |
|
Operating Relative Humidity |
- |
5 |
95 |
% |
有关详细信息,请在“相关下载”中查看数据表

155M Single Fiber BIDI 1x9 Optical Transceiver
The 1×9 transceiver supports 155Mbps and 80Km transmission distance with SMF. The transceiver consists of two sections...

155M Single Fiber BIDI 1x9 Optical Transceiver
7113-311-1PI-FC 7116-211-1PI-FC

2.5G Single Fiber BIDI 1x9 Optical Transceiver
5414-331-1P 5416-231-1P

1x9 Transceiver,155M,BIDI, FC, 20KM, +3.3V
7113-311-1P-FC 7115-211-1P-FC

1X9 1.25G ST 850nm 550m 3.3v
6377-121-1C-ST

Industrial 1x9 1.25G Dual Fiber SC 40KM 1310nm
Industrial 1x9 1.25G Dual Fiber SC 40KM 1310nm 4324-421-1
















.jpg)










